Product Summary
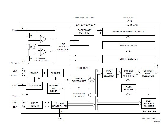
The PCF8576T is a peripheral device which interfaces to almost any Liquid Crystal Display (LCD) with low multiplex rates. It generates the drive signals for any static or multiplexed LCD containing up to four backplanes and up to 40 segments and can easily be cascaded for larger LCD applications. The PCF8576T is compatible with most microprocessors/microcontrollers and communicates via a two-line bidirectional I2C-bus. Communication overheads are minimized by a display RAM with auto-incremented addressing, by hardware subaddressing and by display memory switching (static and duplex drive modes).
Parametrics
PCF8576T absolute maximum ratings: (1)VDD supply voltage: -0.5 to +6.5 V; (2)VLCD LCD supply voltage: VDD - 0.5 to 6.5 V; (3)VI1 input voltage CLK, SYNC, SA0, OSC, A0 to A2: VSS -0.5 to VDD + 0.5 V; (4)VI2 input voltage SDA, SCL: VSS - 0.5 to 6.5 V; (5)VO output voltage S0 to S39, BP0 to BP3: VLCD - 0.5 to VDD + 0.5 V; (6)II DC input current: -10 to +10 mA; (7)IO DC output current: -50 to +50 mA; (8)IDD, ISS, ILCD VDD, VSS or VLCD current: -50 to +50 mA; (9)Ptot total power dissipation: 400 mW; (10)PO power dissipation per output: 100 mW; (11)Tstg storage temperature: -65 to +150 ℃.
Features
PCF8576T features: (1)Single-chip LCD controller/driver; (2)Selectable backplane drive configuration: static or 2/3/4 backplane multiplexing; (3)Selectable display bias configuration: static, 1/2 or 1/3; (4)Internal LCD bias generation with voltage-follower buffers; (5)40 segment drives: up to twenty 8-segment numeric characters; up to ten 15-segment alphanumeric characters; or any graphics of up to 160 elements; (6)40*4-bit RAM for display data storage; (7)Auto-incremented display data loading across device subaddress boundaries; (8)Display memory bank switching in static and duplex drive modes; (9)Versatile blinking modes; (10)LCD and logic supplies may be separated; (11)Wide power supply range: from 2 V for low-threshold LCDs and up to 6 V for guest-host LCDs and high-threshold(automobile) twisted nematic LCDs. A 9 V version is also available on request.; (12)Low power consumption; (13)Power-saving mode for extremely low power consumption in battery-operated and telephone applications; (14)TTL/CMOS compatible; (15)Compatible with any 4-bit, 8-bit or 16-bit microprocessors/microcontrollers.
Diagrams

| Image | Part No | Mfg | Description | ![]() |
Pricing (USD) |
Quantity | ||||||||||||||
|---|---|---|---|---|---|---|---|---|---|---|---|---|---|---|---|---|---|---|---|---|
![]() |
![]() PCF8576T,112 |
![]() |
![]() IC LCD DVR UNVRSL LOW-MUX 56VSOP |
![]() Data Sheet |
![]() Negotiable |
|
||||||||||||||
![]() |
![]() PCF8576T,118 |
![]() |
![]() IC LCD DVR UNVRSL LOW-MUX 56VSO |
![]() Data Sheet |
![]() Negotiable |
|
||||||||||||||
![]() |
![]() PCF8576T/1,118 |
![]() NXP Semiconductors |
![]() LCD Drivers 160 SEGMENT LCD |
![]() Data Sheet |
![]()
|
|
||||||||||||||
![]() |
![]() PCF8576TD |
![]() NXP Semiconductors |
![]() LCD Drivers LCD DVR UNVRSL LOW-MUX |
![]() Data Sheet |
![]() Negotiable |
|
||||||||||||||
![]() |
![]() PCF8576T/1-T |
![]() NXP Semiconductors |
![]() LCD Drivers 160 SEGMENT LCD SEGMENT DRIVER |
![]() Data Sheet |
![]() Negotiable |
|
||||||||||||||
![]() |
![]() PCF8576T/1,112 |
![]() NXP Semiconductors |
![]() LCD Drivers 160 SEGMENT LCD |
![]() Data Sheet |
![]()
|
|
||||||||||||||
![]() |
![]() PCF8576T/1 |
![]() NXP Semiconductors |
![]() LCD Drivers 160 SEGMENT LCD SEGMENT DRIVER |
![]() Data Sheet |
![]() Negotiable |
|
||||||||||||||
![]() |
![]() PCF8576TD-T |
![]() NXP Semiconductors |
![]() LCD Drivers 160 SEGMENT LCD SEGMENT DRIVER |
![]() Data Sheet |
![]() Negotiable |
|
||||||||||||||
(China (Mainland))











