Product Summary
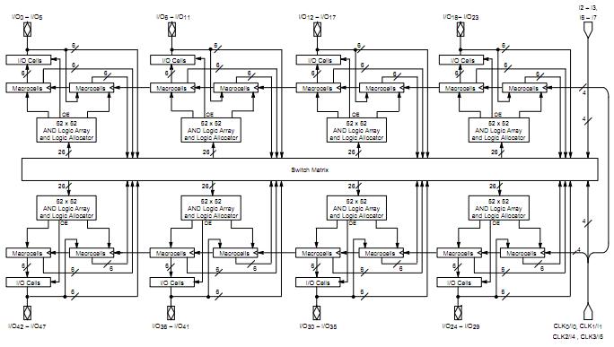
The MACH220-15JC is a high-performance EE CMOS MACH 2 device. This device has approximately nine times the logic macrocell capability of the popular PAL22V10 without loss of speed.
Parametrics
MACH220-15JC absolute maximum ratings: (1)Storage Temperature: –65 to +150℃; (2)Ambient Temperature with Power Applied: –55 to +125℃; (3)Supply Voltage with Respect to Ground: –0.5 V to +7.0 V; (4)DC Input Voltage: –0.5 V to VCC + 0.5 V; (5)DC Output or I/O Pin Voltage: –0.5 V to VCC + 0.5 V; (6)Static Discharge Voltage: 2001 V; (7)Latchup Current (TA = 0 to +70℃): 200 mA.
Features
MACH220-15JC features: (1)68 Pins; (2)96 Macrocells; (3)10 ns tPD; (4)100 MHz fCNT; (5)56 Inputs with pull-up resistors; (6)48 Outputs; (7)96 Flip-flops; 4 clock choices; (8)8 PAL26V12 blocks with buried macrocells; (9)Pin-compatible with MACH120 and MACH221.
Diagrams

![]() |
![]() MACH X |
![]() |
![]() PROGRAMMER MACH X PIC HI-SPEED |
![]() Data Sheet |
![]()
|
|
||||||
![]() |
![]() MACH110-10JC |
![]() Other |
![]() |
![]() Data Sheet |
![]() Negotiable |
|
||||||
![]() |
![]() MACH110-12 |
![]() Other |
![]() |
![]() Data Sheet |
![]() Negotiable |
|
||||||
![]() |
![]() MACH110-15 |
![]() Other |
![]() |
![]() Data Sheet |
![]() Negotiable |
|
||||||
![]() |
![]() MACH110-15JC |
![]() Other |
![]() |
![]() Data Sheet |
![]() Negotiable |
|
||||||
![]() |
![]() MACH110-15JC-18JI |
![]() Other |
![]() |
![]() Data Sheet |
![]() Negotiable |
|
||||||
(China (Mainland))









