Product Summary
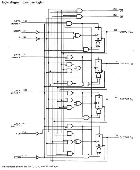
The SN54LS192J is a synchrounous reversible counter. It is designed to be cascaded without the need for external circuitry. The SN54LS192J can be easily cascaded by feeding the borrow and carry outputs to the count-down and count-up inputs respectively o the succeeding counter.
Parametrics
SN54LS192J absolute maximum ratings: (1)supply voltage, VCC: 7V; (2)input voltage: 5.5V; (3)operating free-air temperature range: -55 to 125℃; (4)storage temperature range: -65 to 150℃.
Features
SN54LS192J features: (1)cascading circuitry provided internally; (2)synchronous operation; (3)individual preset to each flip-flop; (4)fully independent clear input.
Diagrams

![]() |
![]() SN54 |
![]() Apex Tool Group (Formerly Cooper Tools) |
![]() Pliers & Tweezers Xcelite 5" Cutter Side Cut Long Nose |
![]() Data Sheet |
![]()
|
|
||||||
![]() |
![]() SN54/74LS147 |
![]() Other |
![]() |
![]() Data Sheet |
![]() Negotiable |
|
||||||
![]() |
![]() SN54/74LS155 |
![]() Other |
![]() |
![]() Data Sheet |
![]() Negotiable |
|
||||||
![]() |
![]() SN54/74LS156 |
![]() Other |
![]() |
![]() Data Sheet |
![]() Negotiable |
|
||||||
![]() |
![]() SN54/74LS160A |
![]() Other |
![]() |
![]() Data Sheet |
![]() Negotiable |
|
||||||
![]() |
![]() SN54/74LS161A |
![]() Other |
![]() |
![]() Data Sheet |
![]() Negotiable |
|
||||||
(China (Mainland))









