Product Summary
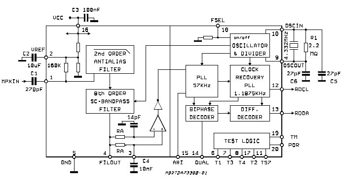
The TDA7330BD is a RDS demodulator. It recovers the additional inaudible RDS information which is transmitted by FM radio broadcasting stations. The output data signal (RDDA) and clock signal (RDCL) can be further processed by a suitable RDS decoder(microprocessor). The TDA7330BD operates in accordance with the EBU (European Broadcasting Union) specifications. The TDA7330BD includes a 2nd order antialiasing input filter, a 57KHz switched capacitor band pass filter, a smoothing filter and cross detector, a bit rate clock recovery circuit, a 57KHz PLL, BI-PHASE PSK decoder, differential decoding circuit, ARI indication and RDS signal quality output.
Parametrics
TDA7330BD absolute maximum ratings: (1)VCC Supply Voltage: 7 V; (2)Top Operating Temperature Range: -40 to 85 ℃; (3)Tstg Storage Temperature: -40 to 150 ℃.
Features
TDA7330BD features: (1)High performance, 57KHz bandpass filter (8th order); (2)Filter adjustment free and without external components; (3)Purely digital rds demodulation without external components; (4)ARI (SK indication) and RDS signal quality output; (5)4.332MHz crystal oscillator(8.664MHz optional); (6)Low noise mixed BIPOLAR/CMOS technology.
Diagrams

![]() |
![]() TDA7000 |
![]() Other |
![]() |
![]() Data Sheet |
![]() Negotiable |
|
||||
![]() |
![]() TDA7010T |
![]() Other |
![]() |
![]() Data Sheet |
![]() Negotiable |
|
||||
![]() |
![]() TDA7010T3AA |
![]() |
![]() IC FM RADIO 16-SOIC |
![]() Data Sheet |
![]() Negotiable |
|
||||
![]() |
![]() TDA7010T3TM |
![]() |
![]() IC FM RADIO CIRCUIT 16SOIC |
![]() Data Sheet |
![]() Negotiable |
|
||||
![]() |
![]() TDA7020T |
![]() Other |
![]() |
![]() Data Sheet |
![]() Negotiable |
|
||||
![]() |
![]() TDA7021T |
![]() Other |
![]() |
![]() Data Sheet |
![]() Negotiable |
|
||||
(China (Mainland))









