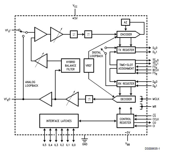
Product Summary
The TP3071N-G is a COMBO II Programmable PCM CODEC/Filter. It is optimized for digital switching applications on subscriber line and trunk cards. Using advanced switched capacitor techniques, the TP3071N-G combines transmit bandpass and receive lowpass channel filters with a companding PCM encoder and decoder. The TP3071N-G is A-law and μ-law selectable and employ a conventional serial PCM interface capable of being clocked up to 4.096 MHz. A number of programmable functions may be controlled via a serial control port.
Parametrics
TP3071N-G absolute maximum ratings: (1)VCC to GND: 7V; (2)Voltage at VFXI: VCC + 0.5V to VBB - 0.5V; (3)Voltage at any Digital Input: VCC + 0.5V to GND - 0.5V; (4)Storage Temperature Range: -65℃ to + 150℃; (5)VBB to GND: -7V; (6)Current at VFR0: ±100 mA; (7)Current at any Digital Output: ±50 mA; (8)Lead Temperature(Soldering, 10 sec.): 300℃.
Features
TP3071N-G features: (1)Direct interface to solid-state SLICs; (2)Simplifies transformer SLIC; single winding secondary; (3)Standard serial control interface; (4)80 mW operating power (typ); (5)1.5 mW standby power (typ); (6)Designed for CCITT and LSSGR applications; (7)TTL and CMOS compatible digital interfaces; (8)Extended temperature versions available for -40℃ to +85℃.
Diagrams

| Image | Part No | Mfg | Description | ![]() |
Pricing (USD) |
Quantity | ||||||||||||
|---|---|---|---|---|---|---|---|---|---|---|---|---|---|---|---|---|---|---|
![]() |
![]() TP3071N-G |
![]() National Semiconductor (TI) |
![]() Audio CODECs |
![]() Data Sheet |
![]()
|
|
||||||||||||
![]() |
![]() TP3071N-G/NOPB |
![]() National Semiconductor (TI) |
![]() Audio CODECs |
![]() Data Sheet |
![]()
|
|
||||||||||||
(China (Mainland))










