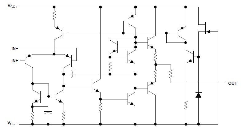
Product Summary
The RC4558DRG4 is a dual general-purpose operational amplifier, with each half electrically similar to the mA741, except that offset null capability is not provided. The high common-mode input voltage range and the absence of latch-up make the RC4558DRG4 ideal for voltage-follower applications. The RC4558DRG4 is short-circuit protected, and the internal frequency compensation ensures stability without external components.
Parametrics
RC4558DRG4 absolute maximum ratings: (1)VCC+: 18 V; (2)VCC–: –18V; (3)VID Differential input voltage: ±30 V; (4)VI Input voltage (any input): ±15 V; (5)θJA Package thermal impedance D package: 97 ℃/W; DGK package: 172 ℃/W; P package: 85 ℃/W; PS package: 95 ℃/W; PW package: 149 ℃/W; (6)TJ Operating virtual junction temperature: 150 ℃; (7)Tstg Storage temperature range: –65 to 150 ℃.
Features
RC4558DRG4 features: (1)Continuous Short-Circuit Protection; (2)Wide Common-Mode and Differential Voltage Ranges; (3)No Frequency Compensation Required; (4)Low Power Consumption; (5)No Latch-Up; (6)Unity-Gain Bandwidth: 3 MHz Typ; (7)Gain and Phase Match Between Amplifiers; (8)Low Noise: 8 nV/√Hz Typ at 1 kHz.
Diagrams

| Image | Part No | Mfg | Description | ![]() |
Pricing (USD) |
Quantity | ||||||||||||
|---|---|---|---|---|---|---|---|---|---|---|---|---|---|---|---|---|---|---|
![]() |
![]() RC4558DRG4 |
![]() Texas Instruments |
![]() Operational Amplifiers - Op Amps Dual General-Purpose Op Amp |
![]() Data Sheet |
![]()
|
|
||||||||||||
| Image | Part No | Mfg | Description | ![]() |
Pricing (USD) |
Quantity | ||||||||||||
![]() |
![]() RC4558 |
![]() Other |
![]() |
![]() Data Sheet |
![]() Negotiable |
|
||||||||||||
![]() |
![]() RC4558D |
![]() Texas Instruments |
![]() Operational Amplifiers - Op Amps Dual General Purpose |
![]() Data Sheet |
![]()
|
|
||||||||||||
![]() |
![]() RC4558DE4 |
![]() Texas Instruments |
![]() Operational Amplifiers - Op Amps Dual General-Purpose Op Amp |
![]() Data Sheet |
![]()
|
|
||||||||||||
![]() |
![]() RC4558DG4 |
![]() Texas Instruments |
![]() Operational Amplifiers - Op Amps Dual General-Purpose Op Amp |
![]() Data Sheet |
![]()
|
|
||||||||||||
![]() |
![]() RC4558DGKR |
![]() Texas Instruments |
![]() Operational Amplifiers - Op Amps Dual General-Purpose Op Amp |
![]() Data Sheet |
![]()
|
|
||||||||||||
![]() |
![]() RC4558DGKRG4 |
![]() Texas Instruments |
![]() Operational Amplifiers - Op Amps Dual General-Purpose Op Amp |
![]() Data Sheet |
![]()
|
|
||||||||||||
(China (Mainland))










